
不锈钢平头菊花FH-RB-SS
- 产品描述
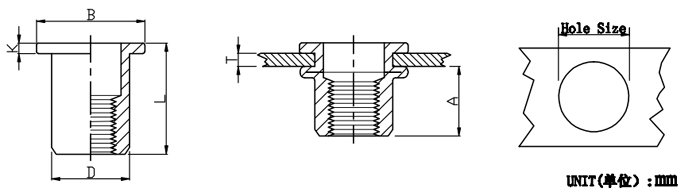
-
Thread P/N T(GRIP RANGE) A Hole Size D B K L Min Max Ref +0.1 +0.07 0 -0.1 M4*0.7 FH-RB/SS-0420 0.5-2.0 6.0 6.0 5.9 8.5±0.25 0.8±0.1 10.5±0.25 M5*0.8 FH-RB/SS-0525 0.5-2.5 7.5 7.0 6.9 10.0±0.3 1.0±0.15 13.0±0.3 M6*1.0 FH-RB/SS-0630 0.5-3.0 9.2 9.0 8.9 12.3±0.3 1.3 +0.2 15.5±0.3 -0.05 M8*1.25 FH-RB/SS-0835 1.0-3.5 11.5 11.0 10.9 15.0±0.3 1.5±0.15 18.5±0.3 M10*1.5 FH-RB/SS-1040 1.0-4.0 12.5 13.0 12.9 17.0±0.3 1.6±0.15 21.0±0.3
+0086-21-57276222


86-21-57276222
86-21-37286067
上海市金山工业区天工路88号